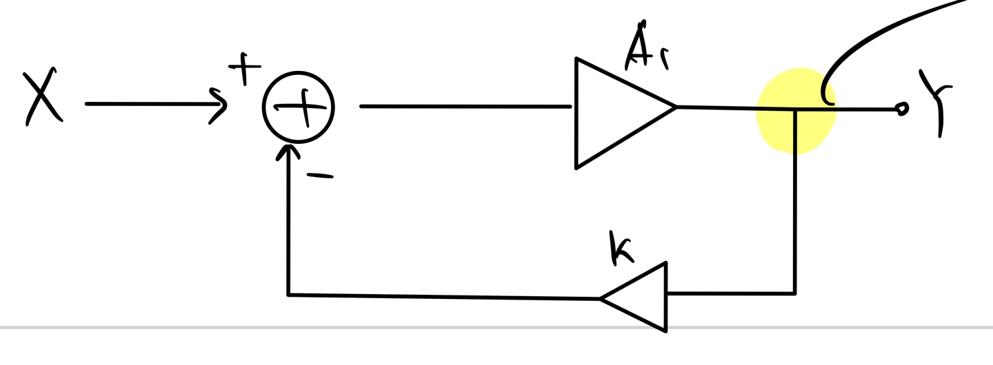
-Alternative Feedback Model

일반적인 feedback system model이다. 이제 여기서 좀 더 구체성있게 하기 위해서 A1과 k를 아래와 같이 나타내려고 한다.

-Sense Mechanism

여기서 sense라고 함은 output 부분 Y를 의미한다.
우선 Y의 output 부분의 결과가 voltage인 경우를 생각해보자.

우리가 알고 있듯이 Voltage를 sense하기 위해서는 위와 같이 voltage meter를 parallel하게 연결해야 한다. 그리고 저항의 값이 매우 높아야 한다. 그래서

CE stage를 A1으로 생각하면 K는 Voltage sense를 위해 높은 저항의 값을 갖어야 한다. 그리고 이를 앞서 A1과 k 박스로 나타내면 아래와 같다.

여기서 두 개의 node를 공유하게 parallel하게 연결해 주었다. 이와 같은 꼴로 OPAMP circuit으로 적용하여 생각하면

이와 같다. 여기서 Vout은 GND에 대하여 전압이 형성되어 있고 K(feedback factor)에 해당하는 voltage divider의 경우도 GND와 연결되어 있다. 그리고 이 둘이 OPAMP의 output 부분과 GND를 공유하는 parallel한 관계임으로 앞서 A1과 K 박스로 나타낸 것과 같은 관계이다. 이제 OPAMP 대신 transistor를 이용해 나타내면

이와 같이 나타낼 수 있다. 여기서 CB stage는 A1의 역할을 그리고 R1과 R2는 K의 역할을 한다. 앞서 보았듯이 병렬적으로 연결이 되어있고 R1과 R2의 값이 높으므로 K가 voltage sense를 하기 좋다.
이번에는 A1의 output으로 Current인 경우를 보자. 전류를 측정하기 위해서는 Series로 아래와 같이 연결해야 한다.

그래서 이를 고려하여 A1과 K 박스를 연결하면

위와 같이 Series로 연결을 해주었다. 전류의 경우 연결이 안되면 아예 흐르지 않으므로 위와 같이 한쪽은 나오고 하나는 들어가는 방식으로 되어 series로 연결시켰다. 이를 좀 더 보기 좋게 그리면 아래와 같다.

A1이 CE stage이고 k는 위와 같이 series로 연결되어 current에 대한 feedback factor로 작동하고 있다. 아 물론 위는 series를 보여주기 위함이지 feedback을 그린 것은 아니다.
그리고 current meter의 경우 voltage meter를 이용해 나타낼 수 있다.

Voltage meter와 저항을 병렬로 연결하여 전압을 측정하고 저항의 값으로 나누어 전류의 값을 구하여 current meter 처럼 이용할 수 있다.
Return Mechanism

Return의 경우 input에서 feedback signal과 input의 차이를 구하는 것을 말한다. 그리고 이 값을 빼주기 위해서는 전류는 전류끼리 전압은 전압끼리 해주어야 한다. 그러면 전압과 전류를 어떻게 뺄까??
우선 전압의 경우를 살펴보자.

전압이 병렬로 존재하면 같아야함으로 위와 같이 Series로 존재해야 덧셈이 가능하다. 만약 뺄셈을 하고 싶다면 그냥 전압원을 반대로 연결하면 된다. 이를 고려하여 A1과 k 박스에 연결하면 아래와 같다.

K(feedback factor)의 output 부분에 형성되는 U와 A1을 위와 같이 series로 연결하면 A1의 input에 Vin-U로 우리가 원하는 Error signal이 나오고 있음을 확인할 수 있다.
그래서 이를 OPAMP로 나타내면 아래와 같다.

여기서 K인 voltage divider는 A1과 Series로 연결되어 있다. 혹시 헷갈리면 그냥 Parallel과 다르게 두 개의 node를 공유하고 있지 않으므로 Series로 생각해도 될 것 같다.
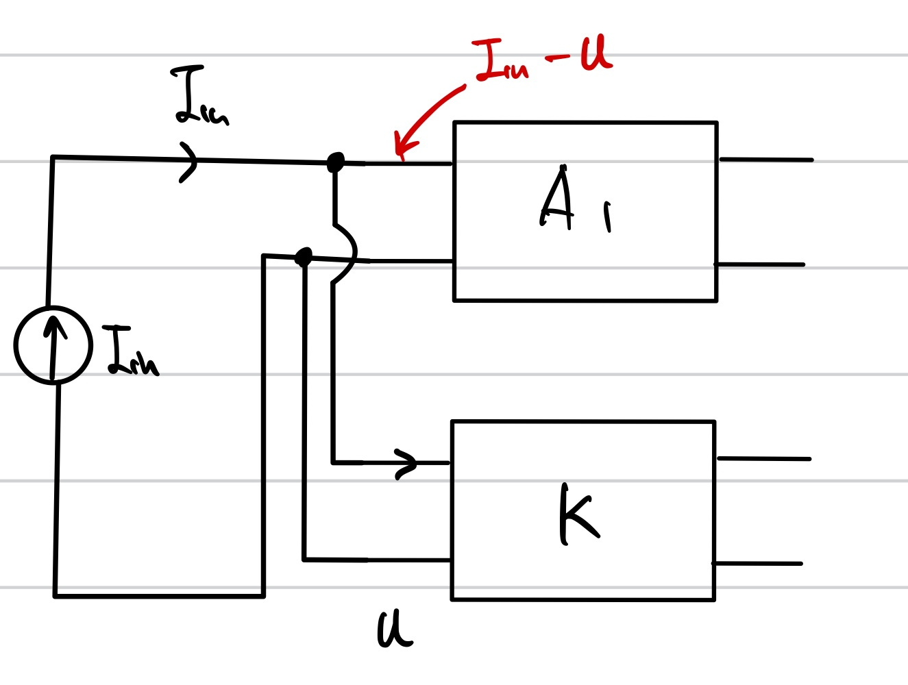
이제 Current의 Return의 경우를 살펴보자.

Current 덧셈을 위해서는 직렬은 불가능하다. 하나의 회로에 다른 값의 전류는 흐를 수 없기 때문이다. 그래서 parallel하게 연결을 해야하고 이를 A1과 K의 관계로 나타내면

여기서 Iin의 값이 U만큼 빠져서 K로 들어가고 있고 그 결과 error signal이 A1의 input으로 들어가고 있다. 그래서 이를 회로로 나타내면 아래와 같다.

input 전류와 bipolar가 병렬의 관계로 있고 bipolar는 gate에 output 전압을 받아서 전류를 만들어내는 transconductance이다. 그래서 feedback factor로 전류가 형성이 되어 input 부분에서 subtract를 해줄 수 있다.
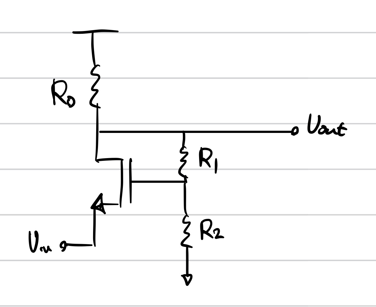
EX)

위의 회로를 sense와 return 그리고 A1과 K로 분석을 해보면 아래와 같다.

우선 Sense 부분을 보면 전압을 sense함으로 앞서 본 것처럼 K와 Vout이 GND와 Vout node를 공유함으로 parallel하게 되어 있다. Return의 경우 input이 전압임으로 R1,R2를 이용해 gate부분으로 feedback signal이 들어오고 source에 Vin이 들어오면서 Vgs 값이 자동으로 구해지면서 subtract가 된다.
V/R
윤.
댓글 영역