Lecture 39. Application Examples of Feedback, More on Current-Voltage Feedback(Series-Series)
이전 글에서 Closed loop output impedance를 구하지 않았으므로 구하면

지금까지 voltage output일 때의 Rout을 구하는 것과 비슷하다. 다른 점은 output이 voltage 일 때는 parallel 하게 Vx를 연결하였는데 이번에는 Series로 위와 같이 연결하여 구한다. 그리고 independent source를 없앤다.

A1과 K가 output에서 series로 연결되어 있으므로 K에 Ix가 input으로 들어가고 output으로 K*Ix가 나오게 된다. 이를 KVL을 이용해 A1의 input 전압인 V1을 구할 수 있다. 이를 이용해 KCL을 위와 같이 해주면 1+Loop Gain 만큼 Rout이 증폭되어 나타나게 된다.
이는 output이 current이기 때문이다. Current source는 Rout이 parallel 하게 연결되어 있으므로 Rout이 더 증폭되면 더 이상적인 current source가 된다.
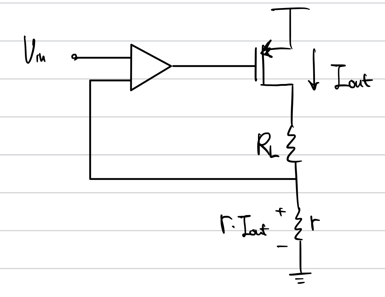
EX)

위의 회로를 분석해보자.
우선 분석하기 전에 위의 회로에서 OPAMP의 +와 -를 결정해주자. 단순하게 Loop break를 하고 Vin을 Short로 만들어 생각을 해보자. 만약 Vtest가 증가할 때 inverting input(-)와 연결되어 있다면 부호가 반대로 나오게 된다. 그리고 PMOS는 현재 CS stage임으로 다시 한번 부호가 반대로 나오면서 결과적으로 Vf/Vtest의 값이 양의 값이 나오게 된다. non-inverting input(+)와 연결되어 있다면 Vtest가 증가해도 부호가 변하지 않고 PMOS에 의해 한번 변함으로 Vf/Vtest가 음의 값이 나오게 된다. 즉 아래와 같이 돼야 한다.

그래서 위의 회로를 다시 분석하기 위해서 Open loop parameter를 구해보자.

위의 회로에서 OPAMP와 PMOS를 A1으로 voltage divider를 K로 가정하였다. 이를 통해 Open loop gain을 생각해보면 Ao의 gain에 PMOS를 통해 전류가 흘러야 함으로 PMOS의 gm의 값을 곱해주면 Open Loop Gain이 나오게 된다. 그리고 inverting input으로 Vin이 들어감으로 -가 붙게 된다.
Open loop Output Resistance를 구하면

앞서 말했듯이 Load를 제거하고 Series로 연결하여 확인하고 이때 Rout=ro임을 알 수 있다. 왜냐하면 Vin이 short가 되면 OPAMP의 output이 0임으로 AC GND가 된다. 그 결과 gate와 source가 GND임으로 small signal model에서 V1=0이 되고 ro만 남게 된다. Open loop input impedance의 경우 어차피 OPAMP에 의해서 매우 큰 값이다.
Closed Loop parameter를 구해보면
Closed Loop gain을 구하기 전에 Loop Gain을 구해보자.

Vin을 short해주고 loop break 한 곳에 Vtest를 연결하였다. Vtest는 OPAMP에 의해서 PMOS의 gate에 Ao*Vtest로 증폭되어 나타난다. 이때 PMOS에 의해서 전류가 흐르는데 Small Signal Model에서 알 수 있듯이 Drain에서 Source로 전류가 흐르기 때문에 위와 같이 그려주었다. 이때 전류의 값은 gm*V1에 의해 V1은 Vgs 값이다. 그리고 source가 small signal model(ssm)에서 GND임으로 V1=Ao*Vtest이다. 그래서 Iout=-Ao*Vtest*gm이다. Vf를 구하기 위해 V=IR를 이용하여 정리하면 위의 결과를 얻을 수 있다. 이를 이용해 Closed Loop gain을 구하면 아래와 같다.

이제 Closed Loop output impedance를 구해보자. 앞서 말했듯이 current가 output인 경우 series로 Vx를 연결한다고 했다.

Load resistor를 없애고 그 대신 Vx를 넣었다. 이와 같이 한 이유는 Voltage output 일 때도 load는 고려하지 않고 parallel 하게 연결하듯이 current output에서도 load를 없애고 series로 Vx를 연결하였다. 이를 이용해 Iout의 값을 구하면 Ix가 된다. 그래서 Rout을 구해주면 아래와 같다.

Rout의 값이 커지고 있는데 이는 feedback system이 더 좋은 current source로 만들어줌을 알 수 있다.
V/R
윤.
댓글 영역